地址:广东省佛山市顺德区陈村镇潭洲村潭村工业区三路8号之九
联系人:肖工
手机:13725426704
邮箱:49709310@qq.com

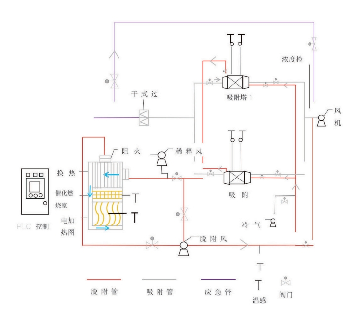
原理简介
吸附原理
吸附是指当两种相态不同的物质接触时,其中密度较低的分子,向密度较高的物质表面被覆集的现象和过程。吸附剂在这种物理吸附中所具有的两个基本性质:一是对不同组份的吸附能力不同,二是吸附物质温度较低时,吸附物质容易被吸附,随吸附温度的上升而解吸出来。吸附其实就是在两相的交界面上,物质的浓度会自动发生变化的现象和过程
脱附原理:
被吸附下来的有机物,积存在吸附剂的微孔里,当它们在定温度和压力下达到饱和后,吸附能力下降,将停止作用需要对该吸附剂进行再生,将有机物移除,即脱附出来。脱附介质采用加热后的流体,控制脱附气有机物浓度的爆炸下限以内。脱附反应与吸附相反,在高温下,有机气体容易从吸附剂微孔中脱吸出来,本工艺利用过程中产生的余热,直接加热脱附气来满足工艺要求。为此,利用该反应过程中有热量放出这一特点,充分利用反应热,既满足了反应需要在一定温度反应的环境又加热了后工段脱附所需要的热流体,同时又将反应热及时移除。根据吸附(效率高)和催化燃烧(节能)两个基本原理设计,采用双气路连续工作,一个催化燃烧室,两个吸附床交替使用。当有机废气的浓度达到2000Mg/m3以上时,有机废气在催化床可维持自燃,不用外加热。在脱附时,净化操作可用另一个吸附床进行,既适合连续操作,也适合间断操作。

主要特点
设计原理先进、用材独特、性能稳定机构简便、安全可靠、节能省力,无二次污染占地面积小、重量轻。吸附床采用抽屉式结构,装填方便、便于更换,耗电量小。催化燃烧室采用蜂窝陶瓷状为载体的贵金属催化剂,阻力小、活性高。当有机废气浓度达到2000mg/h以上时,可维持自燃。该设条采用吸附浓缩+催化净化组合工艺,整个系统实现了净化活性碳脱附再生、PLC自动控制。采用微机集中控制系统,设备运行,系统检测,操作过程实现全自动化,运行过程稳定可靠。

适用范围
涂装、印刷、机电、家电、制鞋、塑料以及各种化工车间里挥发或泄漏出的有害有机废气的净化及臭味的消除,最宜适用于较低浓度的、不宜采用直接燃烧和吸附回收处理的有机废气。适用于处理常温、大风量、中低浓度、易挥发的有机废气,可处理有机溶剂种包适苯类、酮类、醒类、醛类、烷类及其它混合有机气体。